





Honda CRF 1000L AFRICA TWIN 2016-2019 -
Neznáme
Slovensko, sk7. 3. 2026
Publikované na bazos.cz
Externý zdroj
Pre viac informácií a kontakt
Sponzorovaný príspevok
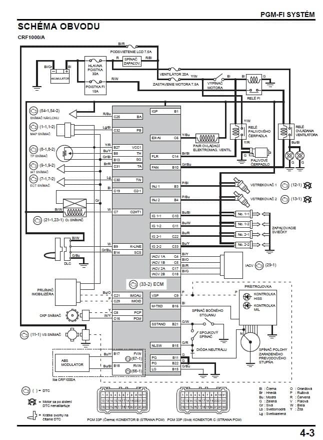
Ponukam servisny manual na HONDA CRF 1000L/A/D r.v 2016-2019 v SK jazyku. V hrebenovej verzii. Vsetky schemy su vo formate A2. Piste na email. Cislo nie je platne
Trendy
NOVÉPodobné položky

Iveco DAILY 35S18, EURO 6, 3,5 TUNY, 3 MÍSTA, MAX VÝBAVA, WE
869 000 CZK

S3 sklápač r.2014 Mercedes Atego 1524 hydraulická ruka ATLAS
44 000 €

Dodge Challenger 5.7 Hemi
699 000 CZK

Škoda Kodiaq SPORTLINE Facelift EVO 2.0 TDI DSG 4x4 147kW
32 499 €
Sponzorovaný príspevok

Dodge Ram 1500 Limited 5. gen
1 100 000 CZK

Dodge RAM 1500
650 000 CZK

Predám obytný príves HOBBY 560 WLU Prestige r.v. 2022
27 500 €

Ram 1500 Limited 5.7
990 000 CZK